Введіть кілька слів, щоб знайти вміст eg:
fuse,arrestor,00110115 technical...
Останні пошуки
Технічна підтримка
This email address is being protected from spambots. You need JavaScript enabled to view it.

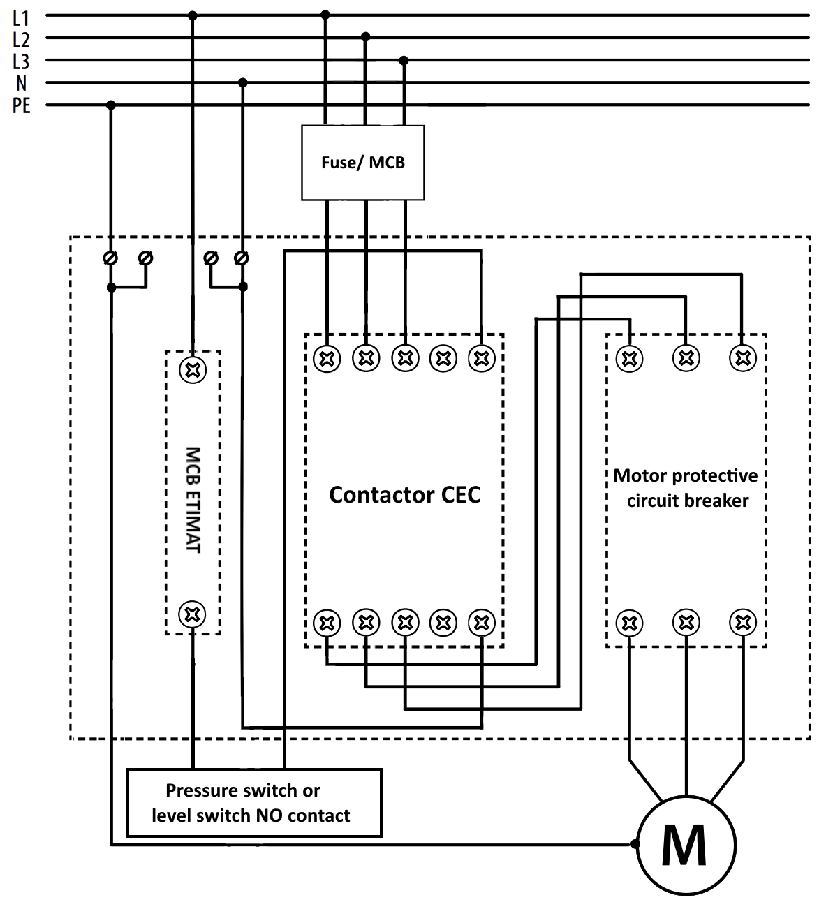
Розподільний щит укомплектований TPS-ECH-MS2-CEC 004483610

Особливості

Артикул:
004483610
Назва:
TPS-ECH-MS2-CEC
Категорія:
TPS-ECH-MS2-CEC
Напруга котушки АС (В):
230
Кількість NO контактів:
1
Максимальне навантаження AC1 (VA):
750
Призначення:
Реле контролю та керування
Напруга живлення (V):
230
Вид контролю:
Рівень рідини
Кількість контактів:
3
Тип напруги:
AC
Номінальний струм (A):
2.5

Документація

Продукт

Вага продукту
1.94  kg
Тариф митниці
85371098  

Транспортна тара

кількість
1  
EAN
3838400125859  
Вага
1.94  kg
Транспортувальне пакування
205  

Креслення і Характеристики

Ваш кошик порожній.