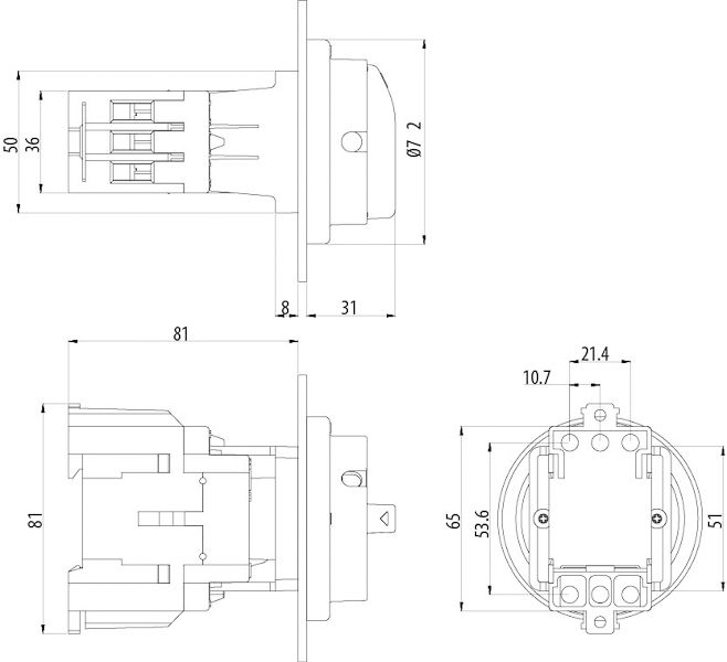
Вимикач навантаження LAS 25 D Y-R 004661206
Особливості
- Артикул:
- 004661206
- Назва:
- * LAS 25 D Y-R
- Категорія:
- Роз'єднувач навантаження
- Призначення:
- Вимикачі навантаження
- Номінальний струм (A):
- 25A
- Тип:
- Встановлення на дверцята
- Кількість полюсів:
- 3
- Група каталогу:
- LAS
Документація
Логістичні дані
Продукт
- Вага продукту
- 0.252 kg
- Тариф митниці
- 85365080
Транспортна тара
- кількість
- 1
- EAN
- 3838895494003
- Вага
- 0.2 kg
- Транспортувальне пакування
- 2571
Класифікація ETIM
- Класифікація
- EC000216
- Категорія
- Switch disconnector
- Використовується в якості головного вимикача
- Так
- Використовується як допоміжний / сервісний вимикач
- Так
- Використовується в якості пристрою аварійного відключення
- Так
- Максимальна номінальна робоча напруга Ue змінного струму AC
- 690V
- Номінальний струм з довгим навантаженням Iu
- 25A
- Номінальна потужність в робочому режимі AC-23, 400 В
- 11kW
- Умовний номінальний струм короткого замикання Iq
- 4,5kA
- Кількість полюсів
- 3
- Моторний привід опціонально
- Ні
- Вбудований моторний привід
- Ні
- Незалежний розчіпплювач
- Ні
- Конструкція приладу
- Вбудований пристрій стаціонарного виконання
- Підходить для фронтального монтажу через 4 отвори
- Так
- Підходить для розподільного щита
- Так
- Тип елемента керування
- Кнопка поворотна
- З блокуванням
- Так
- Тип приєднання головного електричного ланцюга
- Рамкова клема
- Ступінь захисту (IP) лицьового боку
- IP65
* LAS 25 D Y-R